动力卡盘(power chuck)
K55系列高速大通孔楔式动力卡盘
时间:2015-05-15 21:26

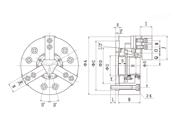
K55系列高速大通孔楔式动力卡盘具有大通孔、转速高、性能可靠等特点,是全功能数控车床的较佳选择。
K55 series high speed wedge type power chucks feature large through hole ,high speed and reliable performances and so on., They are considered the best choice for full function NC turning lathes.


注:表中()数值只适用于软卡爪卡盘
Note:The ( ) on the above table is for soft jaw chucks。
上一篇:K54系列高速楔式动力卡盘 下一篇:K56系列高速楔式动力卡盘
烟台润江机床附件有限公司
